新闻资讯News
首页 > 新闻资讯 > 公司新闻 > 九游品牌发布DIPA23系列智能功率模块
九游品牌发布DIPA23系列智能功率模块
九游品牌半导体 九游品牌半导体 Loading... 2022-11-24

概要

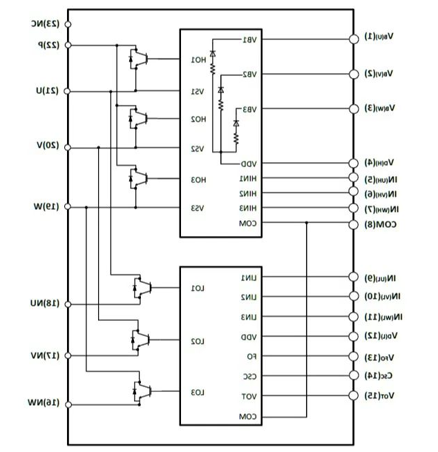
    DIPA23智能化工作电压控制器系选用九游品牌新那代制作控制IC,是最新大家电调速电机控制的很好确定。这其中包括洗衣服机、家用空调、冰柜和工艺控制器等APP,彻底化解经典SOP23的客户的痛点毛病,进一步提高爬电间距,拉宽了强电与弱电系统的间距,不用了选用其他方式方法而起到安规必须,彻底化解小封装类型的按装毛病。     这牌品牌体积大概小、融合度较高、马力相对密度较高、过电压工作能力强、散熱情况好、装配便于和绝缘性技能技能等级高等专科学校性能,功率技能技能等级是6A、10A及15A品牌,品牌料号XNS60660AB、XNS61060AB、XNS61560AB。

0.png

产品特点



1、内置高压栅极驱动,九游品牌器件完全国产化

2、内置6组功率器件6个 IGBT+6个FRD

3、集成自举电路,集成度更高

4、预置欠压庇护

5、过流保护

6、完全兼容3.3V和5V驱动信号

7、3个独立的负直流端用于电路的检测

8、隔热电阻2000Vac

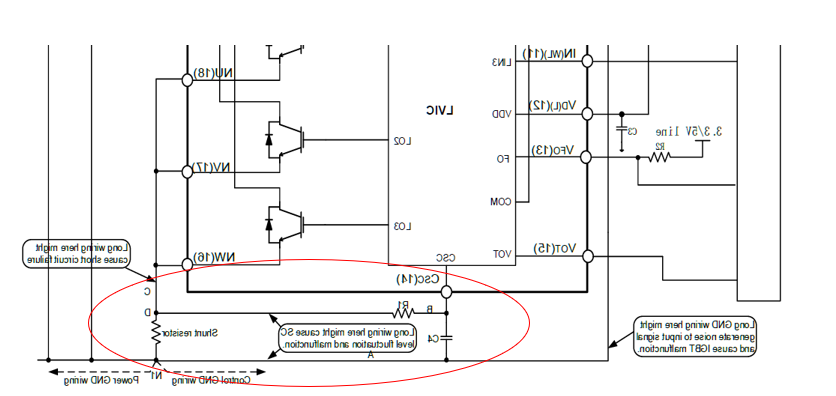
解决问题

01

管脚爬电距離优化方案

02

一体化过流确保效果
处理好普通SOP23无过流庇护模块

3.png

03

马力密度单位高
电流大小会员等级能高于15A,电功率强度高、散热器质量分数更高


5.png

04

留有安装
准备自动装配的小螺丝安裝座位,以及风扇散热器安裝

6.png

※ :食品重要数据能向华科的的产品设备在生产的时候,由于生产材质性能的优异,使得设备在有关的的产品性能上有着显著的提高,并且在销售员考生了解或索求食品尺寸规格书(service@ifunnotes.com)。
分享到
返回
上一篇:九游品牌半导体发布U系列平面IGBT应用于工业电源市场
下一篇:九游品牌DIP29 1200V系列的智能功率模块评估板
有关系一篇文章
上海建设公司 | 北京金属制品 | 北京门窗技术 | 上海机电物流技术工程 | 密析尔氧气分析仪 |