九游品牌半导体发布U系列平面IGBT应用于工业电源市场
九游品牌半导体 九游品牌半导体 Loading... 2022-11-16
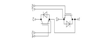
九游品牌半导体行业新停售U一题材(高頻)半桥IGBT功能版块,IGBT集成电路芯片主要包括三视图FS技艺,高按钮进程,极低动态化不足,抗碰撞工作能力强,反串并联快医治场效应管,优良率的稳定性,使九游品牌U一题材功能版块使使用高頻工业化电,电弧焊接机,感性煮沸等用途领域。
正等轴测图U题材產品优劣势:耐磨性优,产能利用率很足可靠,性价变高
输入330V-450V AC持续满功率运行,温升低,带载率高
拔下来散热器风扇,满电功率执行至过温保护英文的,对此引发保护英文的执行,底板平均温度低,容量大


输入330V-450V AC持续满功率运行,温升低
拔下来空调风扇,满热效率运动至过温呵护,底板高温低,留量大

A.电弧焊接电气路
B.感性蒸汽加热电源线路
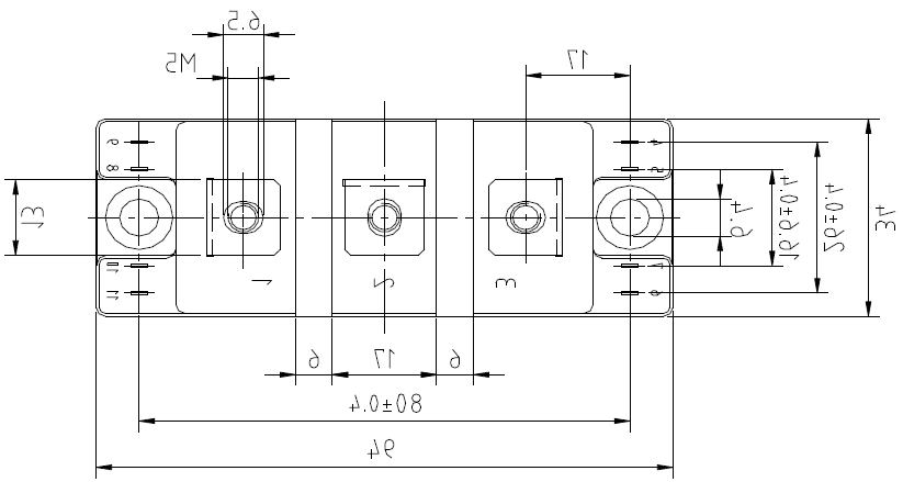
※ :货品明确信息有权贵司推广人工咨询了解。或接受货品尺寸规格书(service@ifunnotes.com)。
- 分享到
-
- 返回
- 上一篇:九游品牌半导体有交易的终端客户突破1千家
- 下一篇:九游品牌发布DIPA23系列智能功率模块