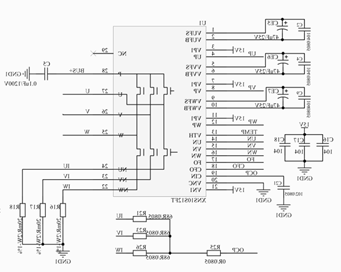
IGBT单管的装配图方式方法、耐压需要解决、,散热清理方式方法等问題为都有点难解决的,我们的出示一些一体化式交流电+工作效率模组的选用解决实施方法,重量小,性能完备的选用解决实施方法。该解决实施方法一体化式IPM、整流桥、母线模拟输出功率值采集电控制电路板、相模拟输出功率值采集电控制电路板、交流电采集、预充物品源控制电路板、继物品模拟输出、交流电电控制电路板。
整机图
掌握器基本性性能指标
|
分为 |
水平公式 |
品种参数指标 |
|
电机控制系统 技术参数 |
系统状况 |
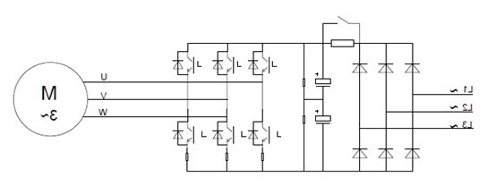
三相四线逆变导出 |
|
低压导入电压值范围内 |
AC300V~450V |
|
|
高压放入相电压 |
0-10V |
|
|
的输出额定值耗油率 |
1500W |
|
|
驱动软件的方法 |
PWM |
|
|
通电的部位与散热管器绝缘电阻 |
2500Vac |
|
|
一系列冷却习惯 |
自然是冷却塔 |
|
|
尺寸(长*宽*高) |
137mm*105mm*70mm |
机器拓扑结构
相连接线端子举例

|
端子排 |
信号灯 |
无线信号系统描述 |
讯号用途介绍 |
|
1 |
W |
直流电机W相输送 |
直流电端子排
|
|
2 |
V |
变频电动机V相读取 |
|
|
3 |
U |
减速机U相输出精度 |
|
|
4 |
L1 |
380V交流会开关电源L1填写 |
|
|
5 |
L2 |
三相电交流学习24v电源L2手机输入 |
|
|
6 |
L3 |
三相四线学习交流电原L3导入 |
|
|
7 |
接山河端 |
接土地端 |
|
|
1 |
K1 |
继电热器输入端 |
移动通讯/继电子产品接线端子排 |
|
2 |
K2 |
断电器开关输出电压端 |
|
|
3 |
485B |
485网络通讯走势B+ |
|
|
4 |
485A |
485电力讯号A- |
|
|
5 |
A/D |
调节移动信号显示+ |
|
|
6 |
GND |
调节表现放入- |
计划书运行工作功率元器件封装参数指标推荐
XNS10S12FT 规格参数如下:
推荐应用原理:

XNDS5016 规格参数如下:
电话:0755-89890048
163邮箱:service@ifunnotes.com